欢迎访问北京锦瞻科技有限公司官网!
全国服务热线:15701219081
锦瞻科技 多年行业制造经验
为您提供更好的产品和更贴心的服务 仪器仪表制造领域
首页 > 产品展示 > 物联网系列 > HP10BL低功耗压力传感器
HP10BL低功耗压力传感器
产品详情

HP10BL低功耗压力传感器采用了小型结构设计,同时利用高性能硅压阻式传感器,配合专用的电子调理电路,经严格的工艺流程装配和生产而成。本产品具有不锈钢外观,多种输出信号,宽温区补偿,整体精度高等特点。另外,产品内部的压力传感器采用了隔离式膜片式结构,能完成对气体、液体、蒸汽等多种介质的压力测量和控制。

该产品可外接锂电池直接供电,功耗很低,可以方便对接各种设备或无线模块,组装简便,应用性强,可广泛应用于物联网行业的各类压力检测。

◆ 物联网专用压力测量

◆ 可外接锂电池供电

◆ 低功耗

◆ 支持I2C、RS485或电压信号输出

◆ 体积小巧,易于安装

 

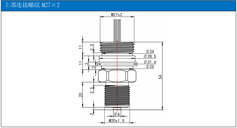
注:

1、图所列尺寸可能会随着工艺的更新有所变化

2、其他外形和尺寸请咨询销售工程师

 

联系我们
业务洽谈,寻找合作伙伴,加入我们。
验证码,看不清楚?请点击刷新验证码
公司:北京锦瞻科技有限公司
咨询:李工,13581515032,孟工,15701219081
座机:010-80795136
地址:中国北京市朝阳区双桥路甲5号金隅可乐B座8层
Copyright by 北京锦瞻科技有限公司 All Right Reserved.  京ICP备2025118995号-1