欢迎访问北京锦瞻科技有限公司官网!
全国服务热线:15701219081
锦瞻科技 多年行业制造经验
为您提供更好的产品和更贴心的服务 仪器仪表制造领域
首页 > 产品展示 > 物联网系列 > HPM240L低功耗压力传感器
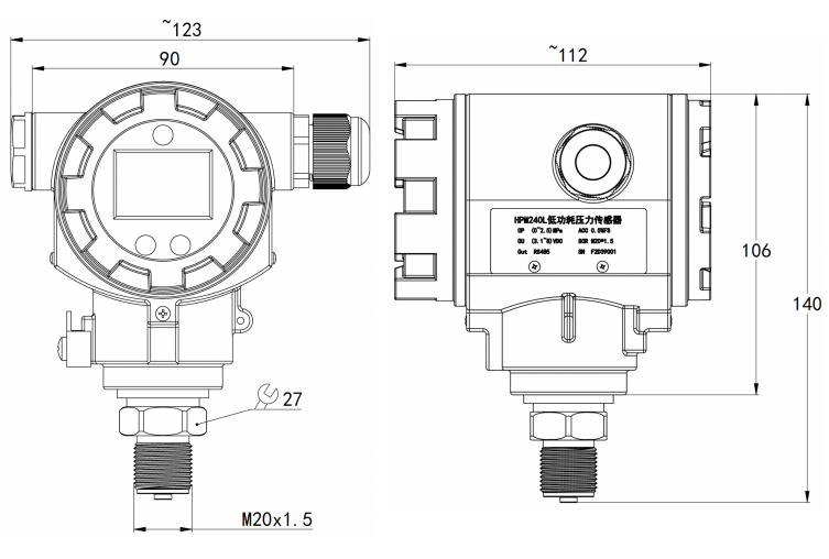
HPM240L低功耗压力传感器
产品详情

HPM240L型低功耗压力传感器采用了高品质和高稳定性的压力芯体作为感测元件,并经过信号调理电路把压力转换成标准的RS485信号输出,实现对流体压力的测量。该产品内置锂电池供电,功耗极低,使用寿命长。另外该产品带现场显示,也可以通过RS485实现组网或者连接无线模块实现无线传输。

产品经过长期老化及稳定性筛选,性能可靠稳定,能够适用于环境比较恶劣的露天场所,在物联网行业的压力测量和各类工业过程控制等场合有广泛的应用。

◆ 低功耗

◆ 内置锂电池供电

◆ 现场显示

◆ 带485通讯,可适配无线模组

◆ 防护等级高

 

 

联系我们
业务洽谈,寻找合作伙伴,加入我们。
验证码,看不清楚?请点击刷新验证码
公司:北京锦瞻科技有限公司
咨询:李工,13581515032,孟工,15701219081
座机:010-80795136
地址:中国北京市朝阳区双桥路甲5号金隅可乐B座8层
Copyright by 北京锦瞻科技有限公司 All Right Reserved.  京ICP备2025118995号-1